Views: 50
Erstellt am 6 Apr. 2022 | zuletzt bearbeitet vor 2 Monaten ago von Steffen
Das Accord 401U ist ein Allstrom-Radio für LW, MW und KW. Gebaut wurde es zwischen 1950 und 1952 in der damaligen Tschechoslowakei.
- https://www.radiomuseum.org/r/tesla_accord_401u.html
- https://radio-bastler.de/forum/showthread.php?tid=4915
- https://www.radiomuseum-bocket.de/wiki/index.php/Tesla_401U_Accord
- Hersteller: Tesla
- Typ: Accord 401U
- Baujahr: 1950-52
- Empfangsprinzip: Superhet
- Wellenbereiche: LW, MW, KW
- Spannungsarten: Wechselspannung, Gleichspannung
- Zustand Gehäuse: sehr gut
- Zustand Technik: revidiert, funktioniert
Inhaltsverzeichnis
Zustand bei Erhalt
Sehr guter Zustand, keine Beschädigungen im Gehäuse oder woanders. Der Frontstoff wurde vermutlich erneuert. Auch von innen sieht es gepflegt aus.
Ich habe es kurz geprüft, leider geht es nicht an. Ich habe nicht die Sicherung erneuert oder Ähnliches. Die manuellen Funktionen scheinen ok zu sein (An/aus, Sendereinstellung). Ich habe es vor zwei Jahren von einem Sammler erhalten, der selbst reparierte und seine Radios gut gepflegt hat. Mit etwas Glück ist es also nur eine Kleinigkeit.
Angaben des Verkäufers
Der beschriebene Zustand hat sich bestätigt. Die technische Prüfung steht noch aus.







Instandsetzung
Es gab einige kritische Kondensatoren, die ich getauscht habe. Exemplarisch zeige ich zwei der Kandidaten:
- SOLL: 100 nF, IST: 140 nF (40 % Abweichung)
- SOLL: 25 nF, IST: 43 nF (72 % Abweichung)
Die Isolationswiderstände habe ich gar nicht erst geprüft…







Bluetooth für das Accord 401U
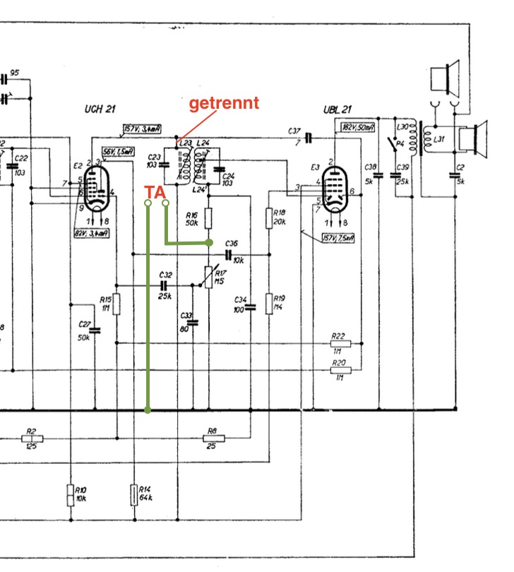
Da es sich um ein reines AM-Radio handelt, habe ich mich dazu entschlossen, einen TA-Eingang intern nachzurüsten, um ein Bluetooth-Modul anzuschließen. Im dritten Bild (s. o.) ist dazu bereits ein Koppelkondensator am Lautstärkepotentiometer angeschlossen. Das Signal wird gegen Masse eingespeist. Den Radioempfang habe ich stillgelegt:

Schaltplan des Accord 401U
- http://www.radiojournal.cz/schemata/ts401sch.pdf
- https://www.radiodatabase.nl/toestellen/tesla/401U/401U.pdf
Heizkreis:


Gut zu sehen ist, dass bei einer Einstellung für 240 V R5 in den Röhrenheizkreis einbezogen wird.
Verwendete Röhren:
- UCH21: 20 V
- UCH21: 20 V
- UBL21: 55 V
- UY1N: 50 V
Die Heizspannungen der Röhren betragen zusammen 145 V. Hinzu kommen zwei Glühlampen mit je 6-7 V. Es bleiben 61 – 63 (81 – 83) V, die mittels der Widerstände “vernichtet“ werden müssen. Durch die Heizungen fließt ein Strom von 0,1 mA. Damit ergeben sich folgende Spannungsabfälle an den Widerständen R4, R5 und R6:
- R4: 35 V
- R5: 13 V
- R6: 36 V
Bei 220 V Schalterstellung fallen an R4 und R6 insgesamt 71 V ab, bei 240 V sind es mit R5 84 V. Das passt 👍.