Views: 146
Erstellt am 6 Dez. 2025 | zuletzt bearbeitet vor 5 Monaten ago von Steffen
Was kann man tun, wenn bei einem Röhrenradio der Trafo defekt ist? Oft ist hier guter Rat teuer, denn neu zu kaufen gibt es diese Netztransformatoren nicht mehr.
Aufbau eines Transformators
Beginnen wir mit dem Aufbau. Unter https://www.energiepfad.ch/wiki/transformator/ habe ich ein Bild gefunden, anhand dessen ich die Funktion gut erklären kann.

Gut zu erkennen sind der Eisenkern, auf den die Primär- und Sekundärwicklung aufgewickelt sind. Es gibt Transformatoren, die sowohl primär, als auch sekundär mehrere Wicklungen besitzen. Dazu später mehr.
Der entscheidende Begriff hinsichtlich der Funktion lautet „Wechselspannung“. Damit in der Sekundärspule eine Spannung entsteht, muss sie sich in einem magnetischen Wechselfeld befinden. Das heißt, dass sich dieses Magnetfeld, was die Spule durchdringt, fortwährend ändern muss. Wechselspannung bedeutet, dass sich die Höhe der Spannung im Takt der Netzfrequenz (bei uns 50 Hz) ständig ändert. Das wiederum bedeutet, dass sich das daraus resultierende Magnetfeld um die Primärspule ebenfalls im gleichen Takt ändert. Mittels des Eisenkerns befindet sich die Sekundärspule ebenfalls in diesem Wechselfeld. Den Vorgang nennt man elektromagnetische Induktion.
Über das Verhältnis der Windungszahlen (N) kann man die Höhe der Sekundärspannung beeinflussen:
(im unbelasteten Transformator, also ohne geschlossenen Sekundärstromkreis)
Ein zweiter Zusammenhang, der für unser Problem wichtig ist, ist der zwischen Stromstärke und Temperatur des Leiters. Je höher die Stromstärke, desto größer die Erwärmung des Leiters. Bei Glühlampen oder elektrischen Heizungen wird dieser Effekt bewusst ausgenutzt, um hohe Temperaturen zu erzeugen. In letzter Konsequenz kann die Erwärmung des Leiters dazu führen, dass er schmilzt. Dieser Effekt wird bspw. bei Schmelzsicherungen genutzt.
Wie kann man diesem Problem begegnen? Ganz einfach – indem man den Leiterquerschnitt erhöht, also dickere Leiter verwendet.
Bei der Herstellung eines Transformators muss man neben der Ermittlung der korrekten Windungszahlen auch die Leiterquerschnitte berechnen. In den Schaltplänen ist oft zu erkennen, wie hoch die maximalen Ströme sind.


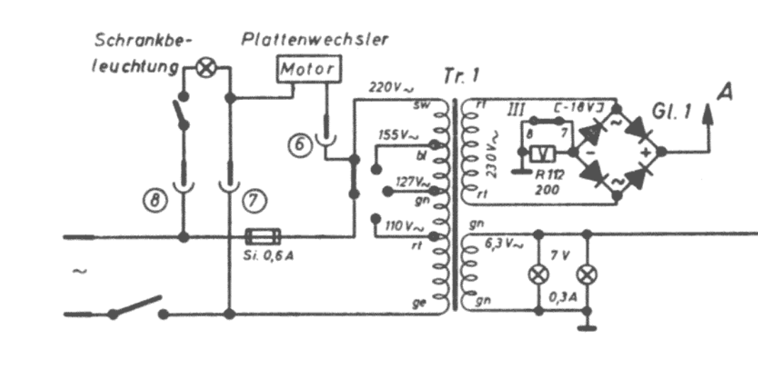
Die zwei Ausschnitte stammen aus dem Schaltplan des Ballerina-Konzert Stereo 59 24650 von Schaub-Lorenz.
Im unteren Bild sieht man das Netzteil, oben die in beiden Ausschnitten mit A gekennzeichnete Verbindungsstelle zur Anodenspannungsversorgung.
Folgende Angaben sind erkennbar:
- Ausgangs des Trafos liegen 230 V AC (Wechselspannung) an.
- Am Punkt A liegen max. 275 V DC (Gleichspannung) an.
- Ausgangs des Netzteils fließt ein Strom von max. 93 mA.
Erinnern wir uns an den Leitungsquerschnitt. Die Aufgabe der Techniker war es, die Leiterstärke so zu bemessen, dass der Trafo die benötigten Daten liefert und gleichzeitig die Kosten für die Herstellung im Rahmen bleiben. Hinzu kommt, dass der Trafo ohnehin recht schwer ist und bei einer Überdimensionierung die Gesamtmasse des Radios zunehmen würde. Wir dürfen also davon ausgehen, dass ein dauerhaft zu hoher Strom zu einer deutlich zu hohen Eigenerwärmung führen würde.
Ursachen für den Defekt
Ich denke, es macht Sinn, zunächst herauszufinden, warum ein Transformator kaputt geht. Wie oben geschrieben geht es um die Eigenerwärmung des Trafos. Wichtig zu wissen ist noch, dass die verwendeten Kupferdrähte, mit denen der Trafo gewickelt ist, sogenannte Lackdrähte sind. Statt der üblichen Kunststoffumhüllung verwendet man Lack, um Platz und Material zu sparen.
Wenn nun dauerhaft zu hohe Ströme fließen, dann erwärmen sich diese Drähte teilweise so stark, dass die Lackschicht schmilzt und an dieser Stelle ein Wicklungsschluss entsteht. Bei sehr starker Erwärmung passiert dies auch an mehreren Stellen. Möglich ist auch, dass der Wicklungsdraht ähnlich einer Schmelzsicherung komplett durchbrennt.
Alle diese Folgen führen zu einem Defekt des Netztransformators, der äußerlich meist gar nicht zu erkennen, sondern nur messtechnisch zu erfassen ist, mal abgesehen davon, dass das Radio nicht funktioniert.
Die Ursache für die erhöhte Stromstärke ist in den meisten Fällen eine Vielzahl defekter Kondensatoren. Die o. g. 275 V sind Gleichspannung, folglich fließen im Anodenstromkreis Gleichströme. Ein Kondensator ist hinsichtlich dieses Gleichstromes ein Widerstand mir unendlich hohem Wert. Einfach gesagt: Durch einen Kondensator fließen keine Gleichströme bzw. in der technischen Realität nur extrem kleine. Wenn nun ein Kondensator derart altert, dass diese Ströme nennenswerte Größenordnungen erreichen, dann entsteht das geschilderte Problem. Der Trafo kann einiges mehr aushalten, aber irgendwo ist insbesondere bei längerem Betrieb die Grenze überschritten.
Trafo defekt – Abhilfe
Der Idealfall wäre, den originalen Trafo zu bekommen, z. B. aus einem Schlachtgerät. Der Fall tritt eher selten ein, insbesondere dann, wenn es sich um seltene oder begehrte Modelle handelt.
Der eher realistische Fall ist, dass sich ein ähnlicher Trafo auftreiben lässt, ähnlich im Bezug zu Kenndaten und Einbaumaßen. Oft ist gerade bei Letzterem Kreativität gefragt.

Bei der konkreten Anfrage, auf die sich der Artikel bezieht, geht es um einen Schaub-Lorenz Musikschrank Ballerina-Konzert Stereo 59 24650, wie bereits weiter oben angedeutet.
Wichtig bei Anfragen sind Detailbilder und Maße, in den unteren Bildern seht ihr die, die mir der Besitzer geschickt hat.









Jetzt habe ich alles, was zur Suche nötig ist:
- Einbaumaße
- technische Daten
Alles, was ich jetzt noch brauche, ist ein wenig Geduld – ich habe mehrere Kisten mit Netztrafos – und natürlich Glück, dass etwas Passendes dabei ist.
Auch wenn es keinen Volltreffer geben sollte, besteht immer noch die Möglichkeit, zum einen für den Einbau ggf. neue Löcher ins Chassis zu bohren und zum anderen, mittels Widerständen die elektrischen Parameter anzupassen, wenn die Kenndaten des neuen Trafos nicht allzu weit von den geforderten entfernt sind.
Trafo defekt – was tun? Meine Empfehlung: Fragen!
Sehr gut erklärt und auch für den Laien verständlich. Viel Erfolg bei der Suche eines passenden Ersatztrafos. Den Besitzer wird es sehr freuen wenn es aus seiner Musiktruhe wieder erschafft.